Open Modal
X
Se pot compara maxim 4 produse
/userfiles/ca09a8bc-7701-45bf-9ba2-a991712d7112/image/Logo generic.jpg
În perioada sărbătorilor de Paște, procesarea și livrarea comenzilor poate fi întârziată din cauza volumului mare de comenzi și a zilelor libere ale curierilor. Vă mulțumim pentru înțelegere!
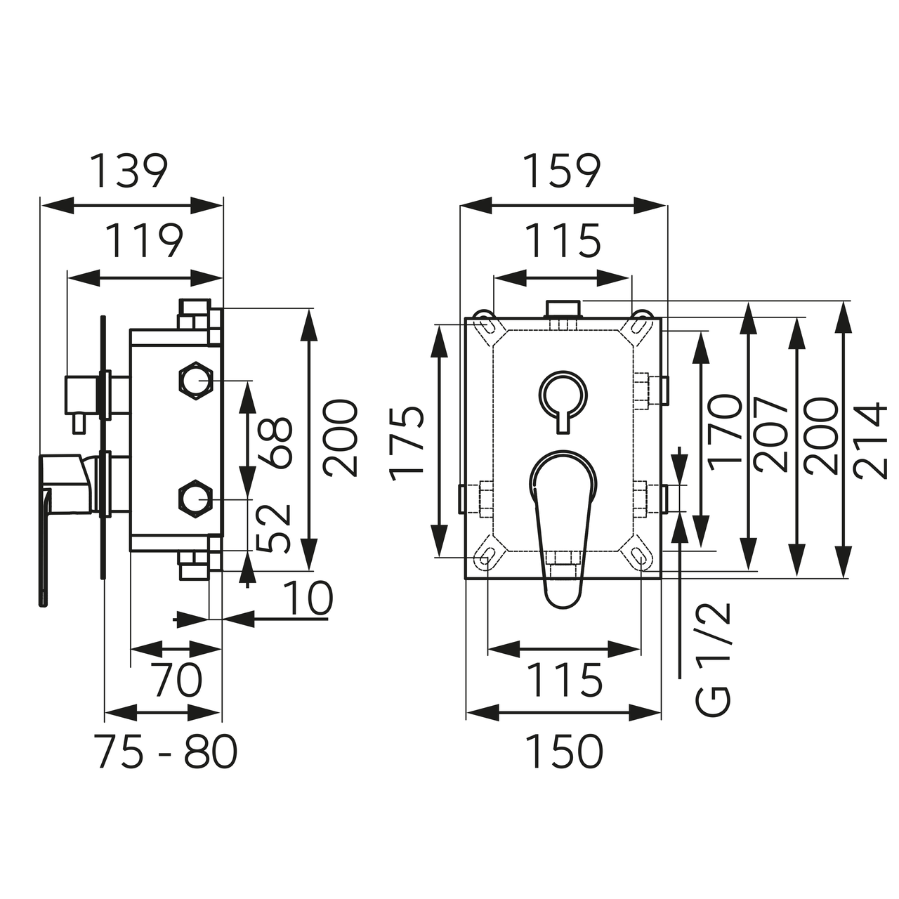
Baterie ingropata cada/dus 3 iesiri Algeo, crom cu caseta montaj, Ferro BAG7P3BOX
Baterie ingropata cada/dus 3 iesiri Algeo, crom cu caseta montaj, Ferro BAG7P3BOX
Pret vechi:
793,00Lei
Preț
671,99Lei
Nu este în stoc Logheaza-te ca sa te anuntam cand reintra in stoc!
Fidelizare clienți Puncte bonus la fiecare comandă sau review. Detalii aici
Baterie ingropata cada/dus 3 iesiri Algeo, crom cu caseta montaj, Ferro BAG7P3BOX - Informații despre acest produs:
Caracteristici și beneficii
Concepută pentru integrare discretă, soluția încastrată gestionează alimentarea pentru cadă și duș dintr-un singur punct, menținând finisajul pereților curat. Cele trei ieșiri dedicate permit distribuirea apei către multiple puncte, cu selectare rapidă printr-un comutator ceramic cu 3 funcții. Adâncimea de instalare reglabilă ajută la alinierea corectă cu grosimi variate ale peretelui, reducând ajustările pe șantier. Racordurile standard G1/2 facilitează conectarea la instalațiile uzuale, fără piese speciale. Carcasa din alamă conferă rigiditate și stabilitate în timp, în timp ce cartușul ceramic asigură control precis al debitului. Pachetul include caseta de montaj pentru o poziționare sigură în perete și o schemă ordonată a conexiunilor.
Specificații tehnice:
- Configurare încastrată cu casetă de montaj inclusă
- 3 ieșiri pentru distribuția către mai multe puncte de utilizare
- Comutator ceramic cu 3 funcții pentru selectarea ieșirilor
- Cartuș ceramic pentru controlul debitului și al temperaturii
- Racorduri standard G1/2 pentru conexiuni compatibile
- Adâncime de instalare reglabilă pentru adaptare la perete
- Carcasă și elemente de montură din alamă
- Sistem de economisire a apei: nu
Întrebări frecvente:
Este compatibilă cu instalațiile existente cu racorduri G1/2?
Da. Toate conexiunile folosesc racord G1/2, ceea ce permite integrarea în sisteme standard.
Pot controla separat trei puncte de consum cu această baterie?
Da. Comutatorul ceramic cu 3 funcții selectează pe rând cele trei ieșiri disponibile.
Cum ajută adâncimea de instalare reglabilă la montaj?
Permite poziționarea corectă a ansamblului în perete, compensând grosimi diferite ale finisajelor.
Ce avantaje oferă cartușul și comutatorul ceramice?
Asigură acționare lină și etanșare durabilă, contribuind la un control precis al debitului de apă.
| Marca |
Ferro
|
| SKU |
BAG7P3BOX
|
| EAN |
8590309084365
|
| Garantie |
12 luni - persoane juridice 24 luni - persoane fizice
|
Leanpay asigură plata online a ratelor în mod simplu și rapid. Pentru plata în rate, selectați Leanpay în coșul de cumpărături
Plata în rate, cu credit instant, 100% electronic!
Baterie ingropata cada/dus 3 iesiri Algeo, crom cu caseta montaj, Ferro BAG7P3BOX - Opiniile clienților

Alți clienți au vizitat și
Preț vechi
838,00
Lei
(-18%)
Preț
683,75
Lei
Preț vechi
838,00
Lei
(-18%)
În stoc Livrare estimată în 3 zile lucrătoare
Preț vechi
63,00
Lei
(-56%)
Preț
27,71
Lei
Preț vechi
63,00
Lei
(-56%)
În stoc Livrare estimată în 3 zile lucrătoare
Preț vechi
26,00
Lei
(-16%)
Preț
21,83
Lei
Preț vechi
26,00
Lei
(-16%)
În stoc Livrare în 1-2 zile lucrătoare
Preț vechi
37,00
Lei
(-14%)
Preț
31,91
Lei
Preț vechi
37,00
Lei
(-14%)
În stoc Livrare estimată în 3 zile lucrătoare
Preț vechi
61,00
Lei
(-12%)
Preț
53,75
Lei
Preț vechi
61,00
Lei
(-12%)
În stoc Livrare estimată în 3 zile lucrătoare
Preț vechi
24,00
Lei
(-16%)
Preț
20,15
Lei
Preț vechi
24,00
Lei
(-16%)
În stoc Livrare în 1-2 zile lucrătoare
Preț vechi
63,00
Lei
(-13%)
Preț
54,59
Lei
Preț vechi
63,00
Lei
(-13%)
În stoc Livrare estimată în 3 zile lucrătoare
Preț vechi
116,00
Lei
(-13%)
Preț
100,79
Lei
Preț vechi
116,00
Lei
(-13%)
În stoc Livrare estimată în 3 zile lucrătoare
Preț vechi
35,00
Lei
(-14%)
Preț
30,23
Lei
Preț vechi
35,00
Lei
(-14%)
În stoc Livrare estimată în 3 zile lucrătoare
Preț vechi
58,00
Lei
(-13%)
Preț
50,39
Lei
Preț vechi
58,00
Lei
(-13%)
În stoc Livrare estimată în 3 zile lucrătoare
Produse din aceeași categorie
Preț vechi
318,00
Lei
(-15%)
Preț
268,79
Lei
Preț vechi
318,00
Lei
(-15%)
În stoc Livrare estimată în 3 zile lucrătoare
Preț vechi
451,00
Lei
(-56%)
Preț
197,39
Lei
Preț vechi
451,00
Lei
(-56%)
În stoc Livrare estimată în 3 zile lucrătoare
Preț vechi
423,00
Lei
(-58%)
Preț
176,39
Lei
Preț vechi
423,00
Lei
(-58%)
În stoc Livrare estimată în 3 zile lucrătoare
Preț vechi
318,00
Lei
(-14%)
Preț
272,99
Lei
Preț vechi
318,00
Lei
(-14%)
În stoc Livrare estimată în 3 zile lucrătoare
Preț vechi
184,00
Lei
(-13%)
Preț
159,59
Lei
Preț vechi
184,00
Lei
(-13%)
În stoc Livrare estimată în 3 zile lucrătoare
Preț vechi
325,00
Lei
(-15%)
Preț
277,19
Lei
Preț vechi
325,00
Lei
(-15%)
În stoc Livrare estimată în 3 zile lucrătoare
Preț vechi
734,00
Lei
(-14%)
Preț
629,99
Lei
Preț vechi
734,00
Lei
(-14%)
În stoc Livrare estimată în 3 zile lucrătoare
Preț vechi
524,00
Lei
(-18%)
Preț
427,55
Lei
Preț vechi
524,00
Lei
(-18%)
În stoc Livrare estimată în 3 zile lucrătoare
Preț vechi
608,00
Lei
(-18%)
Preț
495,59
Lei
Preț vechi
608,00
Lei
(-18%)
În stoc Livrare estimată în 3 zile lucrătoare
Preț vechi
702,00
Lei
(-18%)
Preț
572,87
Lei
Preț vechi
702,00
Lei
(-18%)
În stoc Livrare estimată în 3 zile lucrătoare
Preț vechi
58,00
Lei
(-13%)
Preț
50,39
Lei
Preț vechi
58,00
Lei
(-13%)
În stoc Livrare estimată în 3 zile lucrătoare
Preț vechi
367,00
Lei
(-13%)
Preț
319,19
Lei
Preț vechi
367,00
Lei
(-13%)
Nu este în stoc Logheaza-te ca sa te anuntam cand reintra in stoc!
Preț vechi
105,00
Lei
(-12%)
Preț
92,39
Lei
Preț vechi
105,00
Lei
(-12%)
Nu este în stoc Logheaza-te ca sa te anuntam cand reintra in stoc!
Preț vechi
69,00
Lei
(-15%)
Preț
58,79
Lei
Preț vechi
69,00
Lei
(-15%)
În stoc Livrare estimată în 3 zile lucrătoare
Preț vechi
25,00
Lei
(-19%)
Preț
20,15
Lei
Preț vechi
25,00
Lei
(-19%)
În stoc Livrare estimată în 3 zile lucrătoare
Preț vechi
220,00
Lei
(-14%)
Preț
188,99
Lei
Preț vechi
220,00
Lei
(-14%)
În stoc Livrare estimată în 3 zile lucrătoare
Preț vechi
210,00
Lei
(-14%)
Preț
180,59
Lei
Preț vechi
210,00
Lei
(-14%)
În stoc Livrare estimată în 3 zile lucrătoare
Preț vechi
304,00
Lei
(-14%)
Preț
260,39
Lei
Preț vechi
304,00
Lei
(-14%)
În stoc Livrare estimată în 3 zile lucrătoare

Bricolaj.ro
Totul pentru proiectul tău! Scule, unelte, materiale electrice, produse pentru casă şi grădină, construcții și amenajări, bucătărie profesională, sanitare, spume, silicoane, vehicule electrice și multe altele, mereu la cele mai bune preţuri!
Înscrie-te la newsletter
Câștigi instant un voucher de reducere.