Open Modal
X
Se pot compara maxim 4 produse
/userfiles/ca09a8bc-7701-45bf-9ba2-a991712d7112/image/Logo generic.jpg
În perioada sărbătorilor de Paște, procesarea și livrarea comenzilor poate fi întârziată din cauza volumului mare de comenzi și a zilelor libere ale curierilor. Vă mulțumim pentru înțelegere!
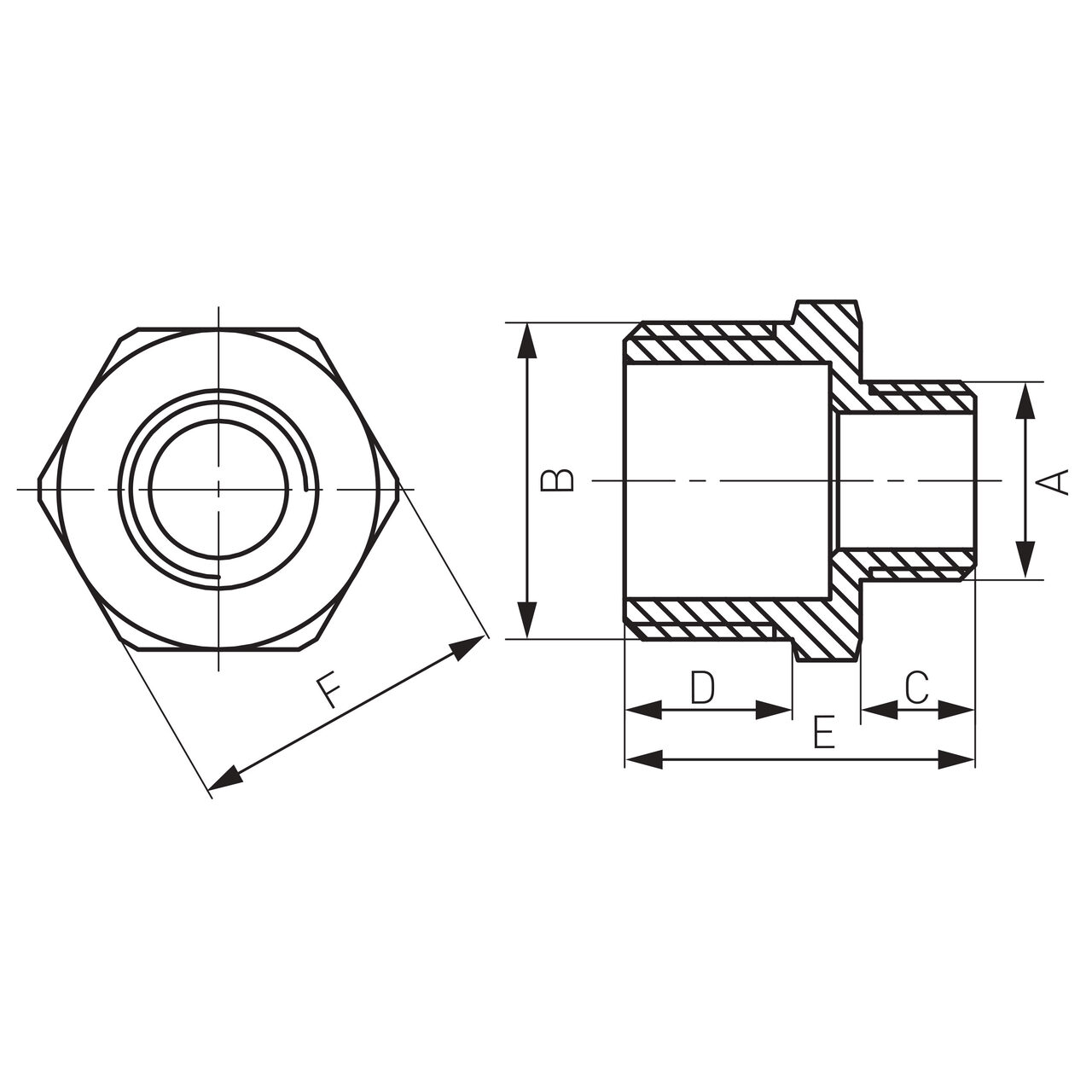
Niplu redus alama 1 1/4"x1", Ferro N15Z
Niplu redus alama 1 1/4"x1", Ferro N15Z
Pret vechi:
19,00Lei
Preț
15,95Lei
În stoc Livrare estimată în 3 zile lucrătoare
Fidelizare clienți Puncte bonus la fiecare comandă sau review. Detalii aici
Niplu redus alama 1 1/4"x1", Ferro N15Z - Informații despre acest produs:
Caracteristici și beneficii
Conceput pentru trecerea rapidă între două dimensiuni filetate, acest element facilitează racordarea de la 1 1/4" la 1" fără componente suplimentare. Prin configurația FE-FE cu două fileturi interne, permite montarea directă între piese compatibile, reducând numărul de îmbinări. Corpul din alamă oferă o structură solidă pentru utilizări de racordare uzuale, iar formatul redus 1 1/4"x1" stabilește o conexiune clară între dimensiuni diferite. Ambalajul include cod de bare pentru vânzarea cu amănuntul, ușurând identificarea în depozit sau pe șantier. Designul compact pentru spații restrânse ajută la organizarea traseelor de țevi sau componente, păstrând totodată o instalare ordonată și previzibilă.
Specificații tehnice:
- Dimensiune redusă: 1 1/4" x 1"
- Tip racord: FE-FE, filet interior pe ambele părți
- Material: alamă, carcasă și montură din alamă
- Funcție: trecere între două dimensiuni filetate
- Format compact pentru integrare facilă în trasee
- Montaj direct între componente compatibile
- Ambalaj prevăzut cu cod de bare
- Util pentru adaptarea conexiunilor existente
Întrebări frecvente:
Este compatibil cu piese care au filete de 1 1/4" și 1"?
Da. Niplu redus 1 1/4"x1" se montează între componente cu filete interne corespunzătoare acestor dimensiuni, respectând formatul FE-FE.
Necesită accesorii suplimentare pentru montaj?
Nu, piesa se înfiletează direct între elementele compatibile, datorită configurației FE-FE și dimensiunilor 1 1/4" și 1".
Din ce material este realizat produsul?
Produsul are carcasă și montură din alamă, conform specificațiilor furnizate.
Cum pot identifica rapid produsul la raft sau în depozit?
Ambalajul include cod de bare pentru vânzarea cu amănuntul, facilitând scanarea și identificarea rapidă a produsului.
| Marca |
Ferro
|
| SKU |
N15Z
|
| EAN |
5902194915953
|
| Garantie |
12 luni - persoane juridice 24 luni - persoane fizice
|
Leanpay asigură plata online a ratelor în mod simplu și rapid. Pentru plata în rate, selectați Leanpay în coșul de cumpărături
Plata în rate, cu credit instant, 100% electronic!
Niplu redus alama 1 1/4"x1", Ferro N15Z - Opiniile clienților

Alți clienți au vizitat și
Preț vechi
55,00
Lei
(-14%)
Preț
47,03
Lei
Preț vechi
55,00
Lei
(-14%)
În stoc Livrare în 1-2 zile lucrătoare
Preț vechi
126,00
Lei
(-13%)
Preț
109,19
Lei
Preț vechi
126,00
Lei
(-13%)
În stoc Livrare estimată în 3 zile lucrătoare
Preț vechi
137,00
Lei
(-14%)
Preț
117,59
Lei
Preț vechi
137,00
Lei
(-14%)
În stoc Livrare estimată în 3 zile lucrătoare
Preț vechi
22,00
Lei
(-12%)
Preț
19,31
Lei
Preț vechi
22,00
Lei
(-12%)
În stoc Livrare în 1-2 zile lucrătoare
Preț vechi
25,00
Lei
(-16%)
Preț
20,99
Lei
Preț vechi
25,00
Lei
(-16%)
În stoc Livrare estimată în 3 zile lucrătoare
Preț vechi
34,00
Lei
(-14%)
Preț
29,39
Lei
Preț vechi
34,00
Lei
(-14%)
În stoc Livrare estimată în 3 zile lucrătoare
Preț vechi
48,00
Lei
(-14%)
Preț
41,15
Lei
Preț vechi
48,00
Lei
(-14%)
În stoc Livrare estimată în 3 zile lucrătoare
Preț vechi
25,00
Lei
(-16%)
Preț
20,99
Lei
Preț vechi
25,00
Lei
(-16%)
În stoc Livrare în 1-2 zile lucrătoare
Preț vechi
53,00
Lei
(-14%)
Preț
45,35
Lei
Preț vechi
53,00
Lei
(-14%)
În stoc Livrare estimată în 3 zile lucrătoare
Preț vechi
35,00
Lei
(-14%)
Preț
30,23
Lei
Preț vechi
35,00
Lei
(-14%)
În stoc Livrare în 1-2 zile lucrătoare
Produse din aceeași categorie
Preț vechi
7,00
Lei
(-28%)
Preț
5,03
Lei
Preț vechi
7,00
Lei
(-28%)
În stoc Livrare în 1-2 zile lucrătoare
Preț vechi
13,00
Lei
(-16%)
Preț
10,91
Lei
Preț vechi
13,00
Lei
(-16%)
În stoc Livrare estimată în 3 zile lucrătoare
Preț vechi
8,00
Lei
(-27%)
Preț
5,87
Lei
Preț vechi
8,00
Lei
(-27%)
În stoc Livrare estimată în 3 zile lucrătoare
Preț vechi
12,00
Lei
(-16%)
Preț
10,07
Lei
Preț vechi
12,00
Lei
(-16%)
În stoc Livrare estimată în 3 zile lucrătoare
Preț vechi
5,00
Lei
(-16%)
Preț
4,19
Lei
Preț vechi
5,00
Lei
(-16%)
În stoc Livrare în 1-2 zile lucrătoare
Preț vechi
7,00
Lei
(-16%)
Preț
5,87
Lei
Preț vechi
7,00
Lei
(-16%)
În stoc Livrare estimată în 3 zile lucrătoare
Preț vechi
9,00
Lei
(-25%)
Preț
6,71
Lei
Preț vechi
9,00
Lei
(-25%)
În stoc Livrare estimată în 3 zile lucrătoare
Preț vechi
16,00
Lei
(-16%)
Preț
13,43
Lei
Preț vechi
16,00
Lei
(-16%)
În stoc Livrare estimată în 3 zile lucrătoare
Preț vechi
39,00
Lei
(-14%)
Preț
33,59
Lei
Preț vechi
39,00
Lei
(-14%)
În stoc Livrare estimată în 3 zile lucrătoare
Preț vechi
16,00
Lei
(-16%)
Preț
13,43
Lei
Preț vechi
16,00
Lei
(-16%)
În stoc Livrare estimată în 3 zile lucrătoare

Bricolaj.ro
Totul pentru proiectul tău! Scule, unelte, materiale electrice, produse pentru casă şi grădină, construcții și amenajări, bucătărie profesională, sanitare, spume, silicoane, vehicule electrice și multe altele, mereu la cele mai bune preţuri!
Înscrie-te la newsletter
Câștigi instant un voucher de reducere.