Open Modal
X
Se pot compara maxim 4 produse
/userfiles/ca09a8bc-7701-45bf-9ba2-a991712d7112/image/Logo generic.jpg
În perioada sărbătorilor de Paște, procesarea și livrarea comenzilor poate fi întârziată din cauza volumului mare de comenzi și a zilelor libere ale curierilor. Vă mulțumim pentru înțelegere!
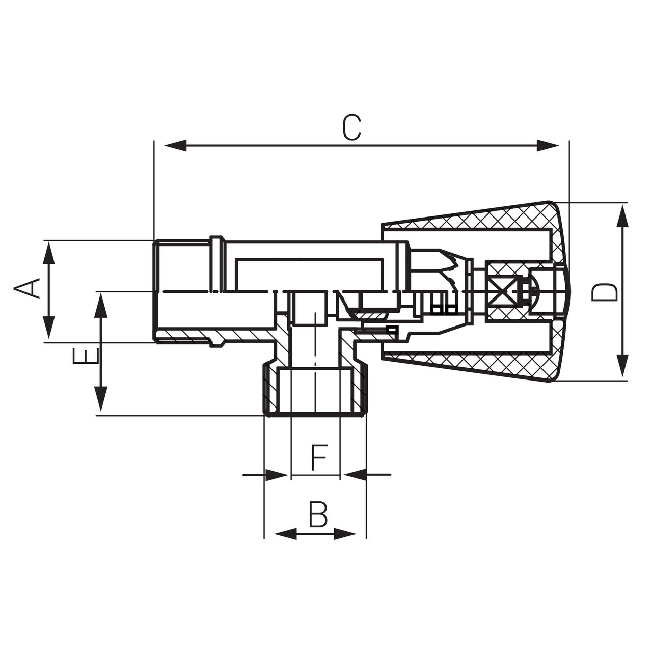
Robinet coltar tip ciuperca 1/2x1/2, crom, Ferro Z220
Robinet coltar tip ciuperca 1/2x1/2, crom, Ferro Z220
Pret vechi:
25,00Lei
Preț
15,11Lei
În stoc Livrare estimată în 3 zile lucrătoare
Fidelizare clienți Puncte bonus la fiecare comandă sau review. Detalii aici
Robinet coltar tip ciuperca 1/2x1/2, crom, Ferro Z220 - Informații despre acest produs:
Caracteristici și beneficii
Asigură control punctual al debitului în instalații de apă, cu acționare simplă prin buton de tip ciupercă. Conexiunea de 1/2 x 1/2 permite integrarea în puncte de consum uzuale, iar presiunea nominală PN10 pentru apă oferă o plajă de utilizare clar definită în aplicații domestice sau tehnice. Rozeta inclusă contribuie la o montare curată și un aspect finisat, acoperind zona de racord. Configurația cu racord FE 1/2 x 1/2 este potrivită pentru montaj simplu la alimentări de lavoare, rezervoare sau alte accesorii ce necesită închidere locală și reglaj de debit.
Specificații tehnice:
- Destinație mediu de lucru: apă
- Presiune nominală: PN10 (10 bar)
- Dimensiune conexiune: 1/2 x 1/2
- Tip racord: FE
- Tip suport/acționare: buton tip ciupercă
- Rozetă inclusă: da
- Secțiune de trecere totală: nu
- Aerisitor integrat: nu
- Filtru încorporat: nu
- Pentru țevi multistrat: nu
- Presetupă: nu
- Coș de aspirație: nu
- Duză de scurgere: nu
- Ambalaj cu cod de bare pentru vânzarea cu amănuntul: da
- Fără nichel: nu
Întrebări frecvente:
Este compatibil cu țevi multistrat?
Nu. Specificația indică explicit „Pentru țevi multistrat: nu”, deci nu este destinat acestor sisteme.
Ce presiune maximă de lucru suportă?
Presiunea nominală este PN10, echivalent 10 bar, potrivită pentru aplicații cu apă în acest interval.
Include elemente pentru finisaj la montaj?
Da. Produsul are rozetă inclusă, utilă pentru acoperirea și finisarea zonei de racord.
Dispune de aerisitor sau filtru încorporat?
Nu. Produsul nu are aerisitor și nu are filtru încorporat, conform specificațiilor.
| Marca |
Ferro
|
| SKU |
Z220
|
| EAN |
5901095606298
|
| Garantie |
12 luni - persoane juridice 24 luni - persoane fizice
|
Leanpay asigură plata online a ratelor în mod simplu și rapid. Pentru plata în rate, selectați Leanpay în coșul de cumpărături
Plata în rate, cu credit instant, 100% electronic!
Robinet coltar tip ciuperca 1/2x1/2, crom, Ferro Z220 - Opiniile clienților

Alți clienți au vizitat și
Preț vechi
179,00
Lei
(-13%)
Preț
155,39
Lei
Preț vechi
179,00
Lei
(-13%)
În stoc Livrare estimată în 3 zile lucrătoare
Preț vechi
220,00
Lei
(-14%)
Preț
188,99
Lei
Preț vechi
220,00
Lei
(-14%)
În stoc Livrare estimată în 3 zile lucrătoare
Preț vechi
254,00
Lei
(-14%)
Preț
218,39
Lei
Preț vechi
254,00
Lei
(-14%)
În stoc Livrare estimată în 3 zile lucrătoare
Preț vechi
116,00
Lei
(-13%)
Preț
100,79
Lei
Preț vechi
116,00
Lei
(-13%)
În stoc Livrare estimată în 3 zile lucrătoare
Preț vechi
147,00
Lei
(-14%)
Preț
125,99
Lei
Preț vechi
147,00
Lei
(-14%)
În stoc Livrare estimată în 3 zile lucrătoare
Preț vechi
444,00
Lei
(-19%)
Preț
359,51
Lei
Preț vechi
444,00
Lei
(-19%)
În stoc Livrare estimată în 3 zile lucrătoare
Preț vechi
131,00
Lei
(-13%)
Preț
113,39
Lei
Preț vechi
131,00
Lei
(-13%)
În stoc Livrare estimată în 3 zile lucrătoare
Preț vechi
184,00
Lei
(-13%)
Preț
159,59
Lei
Preț vechi
184,00
Lei
(-13%)
În stoc Livrare estimată în 3 zile lucrătoare
Preț vechi
147,00
Lei
(-14%)
Preț
125,99
Lei
Preț vechi
147,00
Lei
(-14%)
În stoc Livrare estimată în 3 zile lucrătoare
Preț vechi
241,00
Lei
(-13%)
Preț
209,99
Lei
Preț vechi
241,00
Lei
(-13%)
În stoc Livrare estimată în 3 zile lucrătoare
Produse din aceeași categorie
Preț vechi
37,00
Lei
(-14%)
Preț
31,91
Lei
Preț vechi
37,00
Lei
(-14%)
În stoc Livrare estimată în 3 zile lucrătoare
Preț vechi
74,00
Lei
(-17%)
Preț
61,31
Lei
Preț vechi
74,00
Lei
(-17%)
În stoc Livrare estimată în 3 zile lucrătoare
Preț vechi
33,00
Lei
(-13%)
Preț
28,55
Lei
Preț vechi
33,00
Lei
(-13%)
În stoc Livrare estimată în 3 zile lucrătoare
Preț vechi
22,00
Lei
(-12%)
Preț
19,31
Lei
Preț vechi
22,00
Lei
(-12%)
În stoc Livrare estimată în 3 zile lucrătoare
Preț vechi
19,00
Lei
(-12%)
Preț
16,79
Lei
Preț vechi
19,00
Lei
(-12%)
În stoc Livrare estimată în 3 zile lucrătoare
Preț vechi
33,00
Lei
(-13%)
Preț
28,55
Lei
Preț vechi
33,00
Lei
(-13%)
În stoc Livrare estimată în 3 zile lucrătoare
Preț vechi
22,00
Lei
(-12%)
Preț
19,31
Lei
Preț vechi
22,00
Lei
(-12%)
În stoc Livrare estimată în 3 zile lucrătoare
Preț vechi
22,00
Lei
(-12%)
Preț
19,31
Lei
Preț vechi
22,00
Lei
(-12%)
În stoc Livrare estimată în 3 zile lucrătoare
Preț vechi
19,00
Lei
(-12%)
Preț
16,79
Lei
Preț vechi
19,00
Lei
(-12%)
În stoc Livrare estimată în 3 zile lucrătoare
Preț vechi
26,00
Lei
(-16%)
Preț
21,83
Lei
Preț vechi
26,00
Lei
(-16%)
În stoc Livrare estimată în 3 zile lucrătoare
Preț vechi
37,00
Lei
(-14%)
Preț
31,91
Lei
Preț vechi
37,00
Lei
(-14%)
În stoc Livrare estimată în 3 zile lucrătoare
Preț vechi
16,00
Lei
(-16%)
Preț
13,43
Lei
Preț vechi
16,00
Lei
(-16%)
În stoc Livrare estimată în 3 zile lucrătoare
Preț vechi
15,00
Lei
(-16%)
Preț
12,59
Lei
Preț vechi
15,00
Lei
(-16%)
În stoc Livrare estimată în 3 zile lucrătoare
Preț vechi
19,00
Lei
(-16%)
Preț
15,95
Lei
Preț vechi
19,00
Lei
(-16%)
În stoc Livrare estimată în 3 zile lucrătoare
Preț vechi
14,00
Lei
(-16%)
Preț
11,75
Lei
Preț vechi
14,00
Lei
(-16%)
În stoc Livrare estimată în 3 zile lucrătoare
Preț vechi
15,00
Lei
(-16%)
Preț
12,59
Lei
Preț vechi
15,00
Lei
(-16%)
În stoc Livrare estimată în 3 zile lucrătoare
Preț vechi
13,00
Lei
(-16%)
Preț
10,91
Lei
Preț vechi
13,00
Lei
(-16%)
În stoc Livrare estimată în 3 zile lucrătoare

Bricolaj.ro
Totul pentru proiectul tău! Scule, unelte, materiale electrice, produse pentru casă şi grădină, construcții și amenajări, bucătărie profesională, sanitare, spume, silicoane, vehicule electrice și multe altele, mereu la cele mai bune preţuri!
Înscrie-te la newsletter
Câștigi instant un voucher de reducere.