Open Modal
X
Se pot compara maxim 4 produse
/userfiles/ca09a8bc-7701-45bf-9ba2-a991712d7112/image/Logo generic.jpg
În perioada sărbătorilor de Paște, procesarea și livrarea comenzilor poate fi întârziată din cauza volumului mare de comenzi și a zilelor libere ale curierilor. Vă mulțumim pentru înțelegere!
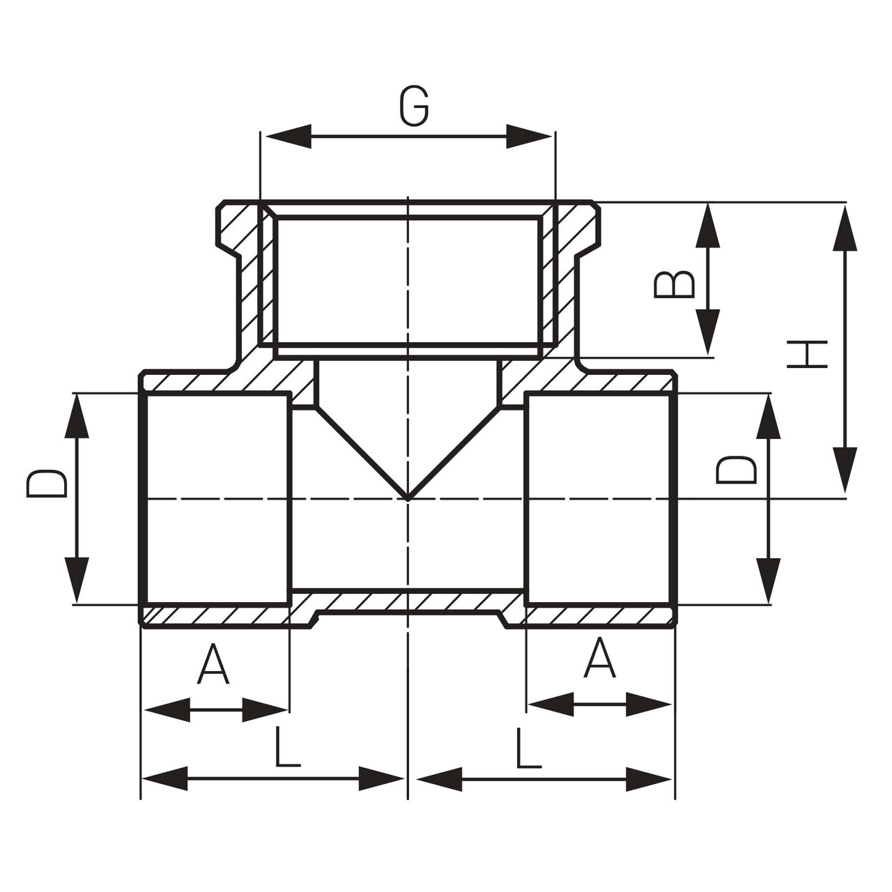
Teu alama D.28x1/2x28 FI, pentru imbinare prin sudura, Ferro 4130-2801
Teu alama D.28x1/2x28 FI, pentru imbinare prin sudura, Ferro 4130-2801
Pret vechi:
22,00Lei
Preț
18,47Lei
Nu este în stoc Logheaza-te ca sa te anuntam cand reintra in stoc!
Fidelizare clienți Puncte bonus la fiecare comandă sau review. Detalii aici
Teu alama D.28x1/2x28 FI, pentru imbinare prin sudura, Ferro 4130-2801 - Informații despre acest produs:
Caracteristici și beneficii
Conceput pentru realizarea unei ramificații curate în trasee de țevi, acest teu oferă o tranziție clară între două capete de 28 mm și un port filetat de 1/2. Două intrări cu diametrul de 28 mm sunt destinate îmbinării prin sudură pe capetele liniare, în timp ce racordul filetat asigură o conexiune demontabilă acolo unde este necesar acces rapid. Configurația în T ajută la organizarea circuitelor, menținând direcția principală și adăugând o derivă distinctă, fără a multiplica adaptările. Materialul din alamă contribuie la o montare eficientă și o potrivire stabilă, cu atenție pe calitatea contactelor și pe o etanșare corect executată în timpul montajului. Dimensiunea D.28x1/2x28 FI facilitează combinația dintre sudură și filet, reducând numărul de piese intermediare. Capetele de 28 mm permit realizarea unei suduri continue pe traseul principal, iar portul de 1/2 cu filet interior este potrivit pentru conectarea unui robinet, a unui senzor sau a unui alt accesoriu cu filet exterior corespunzător. Abordarea mixtă îmbinare prin sudură + filet oferă flexibilitate în intervenții și schimbări ulterioare, păstrând traseul principal fix și rezervând conexiunea filetată pentru elemente ce pot necesita demontare periodică. Construcția din alamă susține o procesare termică uniformă în etapa de lipire sau sudare, contribuind la o fuziune curată între piesă și conductă. Teul prezintă o distribuție simetrică pe linia principală de 28 mm, astfel încât alinierea pe axul conductei rămâne predictibilă în timpul montajului. Racordul FI de 1/2 este ușor de identificat și permite utilizarea accesoriilor cu filet standard masculin 1/2, oferind o legătură mecanică fermă. Prin combinarea metodelor de îmbinare, se poate obține o schemă de conectare ordonată și ușor de urmărit la inspecții. Piesa este livrată în ambalaj cu cod de bare, util pentru trasabilitate în depozit și pentru vânzarea cu amănuntul. În exploatare curentă, curățarea muchiilor de tăiere și a suprafețelor înainte de sudură sprijină obținerea unei îmbinări curate. Pentru filetul FI, se recomandă aplicarea unei tehnici de etanșare conforme practicii de montaj, pentru a limita scurgerile pe conexiunea demontabilă. Prin structură și dimensiuni, componenta ajută la standardizarea nodurilor de derivare, permițând intervenții rapide pe portul filetat, fără a deranja traseul sudat de 28 mm.
Specificații tehnice:
- Tip piesă: teu pentru ramificații
- Metodă îmbinare: sudură pe capetele de 28 mm
- Dimensiuni nominale: D.28x1/2x28
- Tip racord filetat: FI (filet interior) la 1/2
- Material: alamă
- Configurație: două capete aliniate de 28 mm + port lateral 1/2 FI
- Utilizare recomandată: conectare mixtă sudură + filet
- Ambalare: ambalaj cu cod de bare pentru vânzarea cu amănuntul
Întrebări frecvente:
Cu ce tip de filet este compatibil portul de 1/2?
Portul de 1/2 are filet interior (FI) și se montează cu accesorii care au filet exterior de 1/2 corespunzător.
Cum se realizează îmbinarea la capetele de 28 mm?
Capetele de 28 mm sunt destinate îmbinării prin sudură, asigurând o legătură fixă pe traseul principal al conductei.
Este potrivit acest teu pentru a crea o derivă fără a întrerupe linia principală?
Da. Configurația în T cu două capete de 28 mm pe linia principală permite menținerea traseului, în timp ce portul 1/2 FI adaugă deriva dorită.
Ce beneficii oferă materialul din alamă la montaj?
Alama sprijină o procesare termică uniformă în timpul sudurii și permite obținerea unei conexiuni stabile când se respectă pașii corecți de montaj și etanșare.
| Marca |
Ferro
|
| SKU |
4130-2801
|
| EAN |
5902194910798
|
| Garantie |
12 luni - persoane juridice 24 luni - persoane fizice
|
Leanpay asigură plata online a ratelor în mod simplu și rapid. Pentru plata în rate, selectați Leanpay în coșul de cumpărături
Plata în rate, cu credit instant, 100% electronic!
Teu alama D.28x1/2x28 FI, pentru imbinare prin sudura, Ferro 4130-2801 - Opiniile clienților

Alți clienți au vizitat și
Preț vechi
10,00
Lei
(-16%)
Preț
8,39
Lei
Preț vechi
10,00
Lei
(-16%)
În stoc Livrare estimată în 3 zile lucrătoare
Preț vechi
7,00
Lei
(-28%)
Preț
5,03
Lei
Preț vechi
7,00
Lei
(-28%)
În stoc Livrare în 1-2 zile lucrătoare
Preț vechi
12,00
Lei
(-16%)
Preț
10,07
Lei
Preț vechi
12,00
Lei
(-16%)
În stoc Livrare estimată în 3 zile lucrătoare
Preț vechi
5,00
Lei
(-16%)
Preț
4,19
Lei
Preț vechi
5,00
Lei
(-16%)
În stoc Livrare în 1-2 zile lucrătoare
Preț vechi
9,00
Lei
(-25%)
Preț
6,71
Lei
Preț vechi
9,00
Lei
(-25%)
În stoc Livrare estimată în 3 zile lucrătoare
Preț vechi
15,00
Lei
(-16%)
Preț
12,59
Lei
Preț vechi
15,00
Lei
(-16%)
În stoc Livrare în 1-2 zile lucrătoare
Preț vechi
16,00
Lei
(-16%)
Preț
13,43
Lei
Preț vechi
16,00
Lei
(-16%)
În stoc Livrare estimată în 3 zile lucrătoare
Preț vechi
39,00
Lei
(-14%)
Preț
33,59
Lei
Preț vechi
39,00
Lei
(-14%)
În stoc Livrare estimată în 3 zile lucrătoare
Preț vechi
11,00
Lei
(-16%)
Preț
9,23
Lei
Preț vechi
11,00
Lei
(-16%)
În stoc Livrare estimată în 3 zile lucrătoare
Preț vechi
16,00
Lei
(-16%)
Preț
13,43
Lei
Preț vechi
16,00
Lei
(-16%)
În stoc Livrare estimată în 3 zile lucrătoare
Produse din aceeași categorie
Preț vechi
8,00
Lei
(-27%)
Preț
5,87
Lei
Preț vechi
8,00
Lei
(-27%)
În stoc Livrare estimată în 3 zile lucrătoare
Preț vechi
10,00
Lei
(-24%)
Preț
7,55
Lei
Preț vechi
10,00
Lei
(-24%)
În stoc Livrare estimată în 3 zile lucrătoare
Preț vechi
12,00
Lei
(-16%)
Preț
10,07
Lei
Preț vechi
12,00
Lei
(-16%)
În stoc Livrare estimată în 3 zile lucrătoare
Preț vechi
12,00
Lei
(-16%)
Preț
10,07
Lei
Preț vechi
12,00
Lei
(-16%)
În stoc Livrare estimată în 3 zile lucrătoare
Preț vechi
10,00
Lei
(-16%)
Preț
8,39
Lei
Preț vechi
10,00
Lei
(-16%)
În stoc Livrare estimată în 3 zile lucrătoare
Preț vechi
7,00
Lei
(-28%)
Preț
5,03
Lei
Preț vechi
7,00
Lei
(-28%)
Nu este în stoc Logheaza-te ca sa te anuntam cand reintra in stoc!
Preț vechi
10,00
Lei
(-24%)
Preț
7,55
Lei
Preț vechi
10,00
Lei
(-24%)
În stoc Livrare estimată în 3 zile lucrătoare
Preț vechi
14,00
Lei
(-22%)
Preț
10,91
Lei
Preț vechi
14,00
Lei
(-22%)
În stoc Livrare estimată în 3 zile lucrătoare
Preț vechi
28,00
Lei
(-19%)
Preț
22,67
Lei
Preț vechi
28,00
Lei
(-19%)
În stoc Livrare estimată în 3 zile lucrătoare
Preț vechi
26,00
Lei
(-58%)
Preț
10,91
Lei
Preț vechi
26,00
Lei
(-58%)
În stoc Livrare estimată în 3 zile lucrătoare

Bricolaj.ro
Totul pentru proiectul tău! Scule, unelte, materiale electrice, produse pentru casă şi grădină, construcții și amenajări, bucătărie profesională, sanitare, spume, silicoane, vehicule electrice și multe altele, mereu la cele mai bune preţuri!
Înscrie-te la newsletter
Câștigi instant un voucher de reducere.